德尔瑞团队
企业文化
资质荣誉
五大优势
车间一角
PNCR脱硝系统
SNCR脱硝系统
飞灰输送稳定化系统
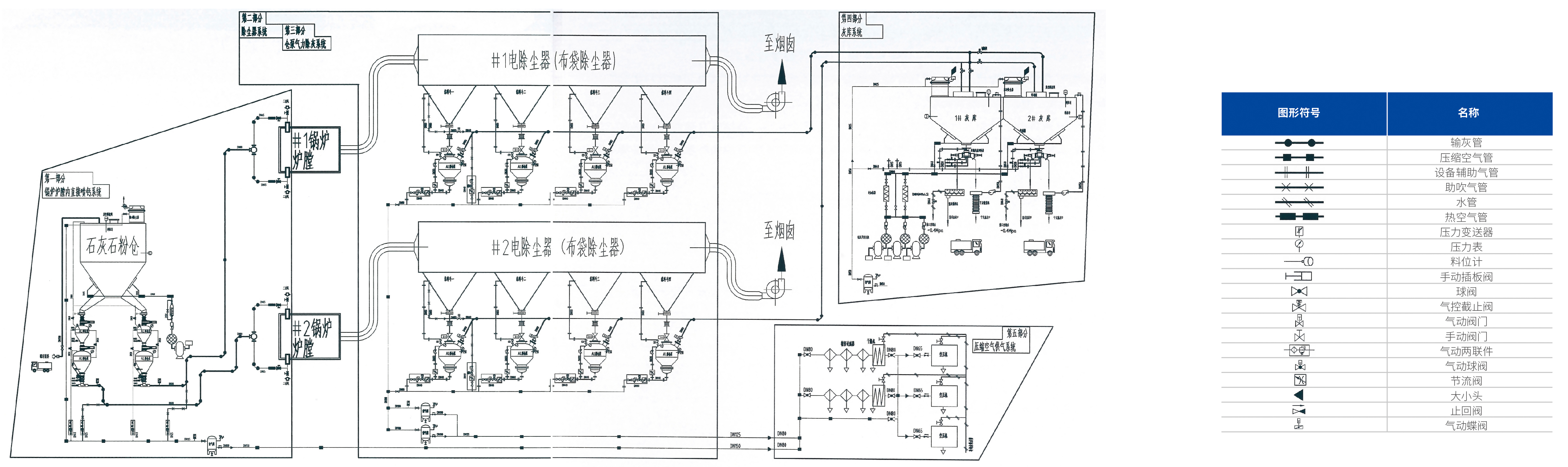
气力输送系统
水洗灰系统
生物质上料系统
项目案例
合作项目表
企业动态
行业动态
技术资料
招聘岗位
团队风采
德尔瑞环保设备核心制造服务商 设计、深化优化、生产配送、调试售后一站式服务
定制您的专属方案
选择德尔瑞环保